
Design Guide for the Polycom SoundStructure C16, C12, C8, and SR12
2 - 6
Each SoundStructure C-series device may be used with traditional analog
microphones, with Polycom's HDX digital microphone arrays
1
. For detailed
information on using the Polycom HDX digital microphone arrays, see
Chapter 6.
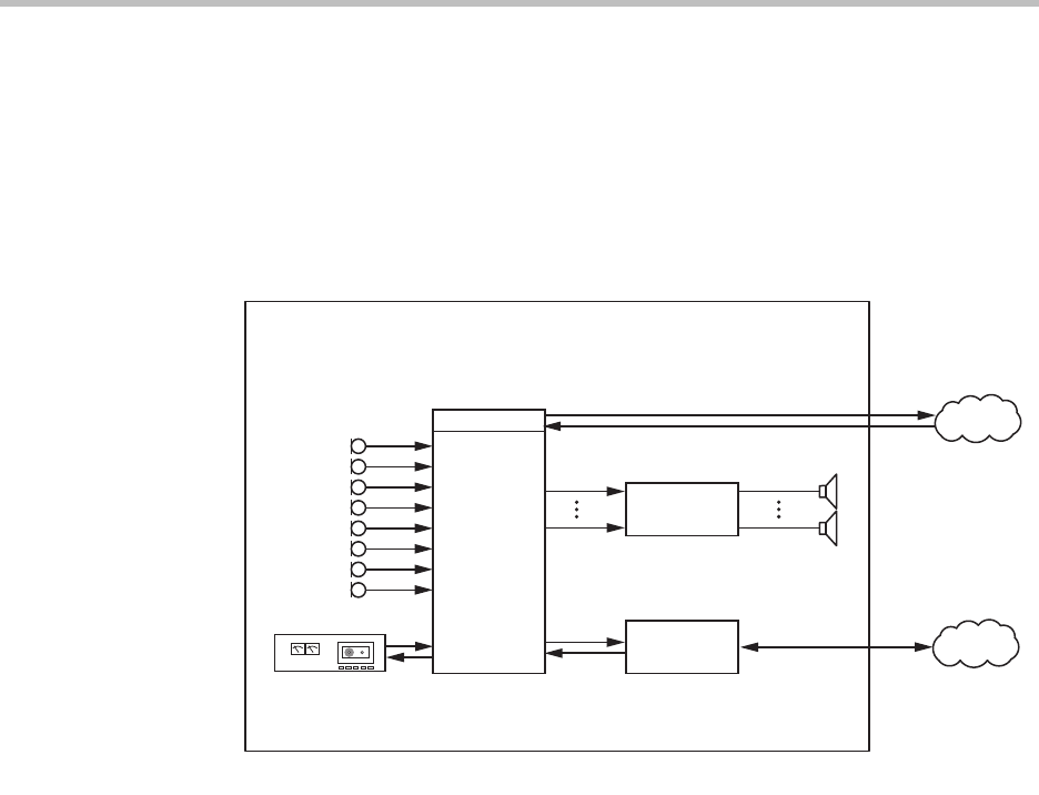
Typical applications of the SoundStructure C-series conferencing products are
audio and video conferencing where two or more remote locations are
conferenced together. The typical connections in the room are shown in the
following figure.
Before designing with SoundStructure products, the details of the
SoundStructure signal processing capabilities will be presented.
1
Requires SoundStructure firmware release 1.1 or higher.
Telco
Video Codec
Amplifier
SoundStructure
C16
Microphones
Telephony
Playback/Record
Network
PSTN
Network
Favorite Content
SoundStructure Installation
Komentáře k této Příručce